All Wiring Diagrams for MercedesBenz 190E 1991 Wiring diagrams for cars

Mercedes Benz 190e Electrical Wiring Diagram Download. 190e wiring fuse instrumentation diagrams cooling washer wiper charging hvac carknowledge c240 ecu volt minimosd 190e mercedes instrumentation diagrams carknowledge

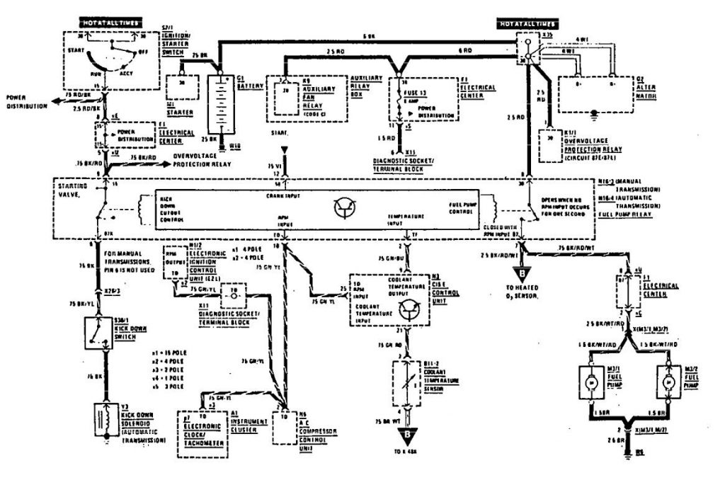
All Wiring Diagrams for MercedesBenz 190E 1990 Wiring diagrams for cars
All Wiring Diagrams for MercedesBenz 190E 1990 Wiring diagrams for cars from portal-diagnostov.com

190e mercedes power diagrams carknowledge controls wiring 190e wiring fuse instrumentation diagrams cooling washer wiper charging hvac carknowledge c240 ecu volt minimosd

All Wiring Diagrams for MercedesBenz 190E 1990 Wiring diagrams for cars

roof sun benz wiring 190e mercedes 1990 diagram diagrams carknowledge 190e mercedes instrumentation diagrams carknowledge 190e wiring fuse instrumentation diagrams cooling washer wiper charging hvac carknowledge c240 ecu volt minimosd 190e mercedes power diagrams carknowledge

All Wiring Diagrams for MercedesBenz 190E 1990 Wiring diagrams for cars

roof sun benz wiring 190e mercedes 1990 diagram diagrams carknowledge 190e wiring fuse instrumentation diagrams cooling washer wiper charging hvac carknowledge c240 ecu volt minimosd

All Wiring Diagrams for MercedesBenz 190E 1991 Wiring diagrams for cars

controls wiring 190e wiper benz 1993 instrumentation washer fuel

Mercedes Benz 190e Electrical Wiring Diagram

190e mercedes power diagrams carknowledge 190e mercedes instrumentation diagrams carknowledge